HeLa(人宫颈癌细胞)细胞培养详细教程攻略!
发布时间:2023-06-30 浏览次数:9638
来源:尚恩生物 SUNNCELL,
原标题:细胞攻略 | HeLa(人宫颈癌细胞)细胞培养教程
细胞基本信息

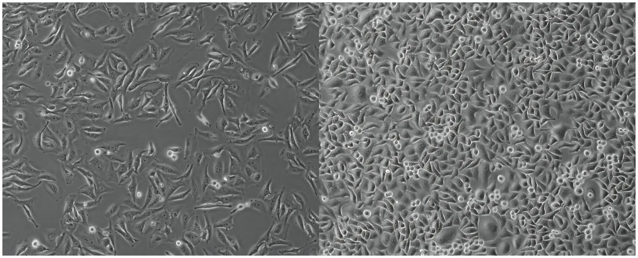
▲细胞正常生长形态照片
细胞名称:HeLa(人宫颈癌细胞)
细胞别称:HELA; Hela; He La; He-La; HeLa-CCL2; Henrietta Lacks cells; Helacyton gartleri
细胞货号:SNL-062
生长特性:贴壁
培养条件:DMEM+10% FBS+1% P/S
培养环境:空气,95%;二氧化碳 (CO2),5%
细胞简介:HeLa细胞是第一个来自人体组织经连续培养获得的非整倍体上皮样细胞系,是由GeyGO等在1951年从31岁女性黑人的宫颈癌组织建立的,经原始组织切片重新观察,Jones等将其诊断为腺癌。HeLa细胞角蛋白阳性,p53表达量较低,但表达正常水平的pRB(视网膜母细胞瘤抑制因子)。HeLa细胞含有人乳头状瘤病毒HPV18序列,需在2级生物安全防护台操作。HeLa细胞可以用于3D细胞培养和生物制品生产,也是一种合适的转染宿主,还可用于筛选具有侵袭潜力的大肠杆菌菌株。
HeLa(人宫颈癌细胞)特点
1 细胞颗粒感较重
细胞传代培养时细胞内黑点及细胞外颗粒较多,建议使用优质血清及培养基培养细胞;
2 传代、复苏注意细胞状态
细胞消化或者复苏操作不当容易导致细胞死亡裂解产生大量碎片及颗粒,进而影响活细胞状态,注意消化或复苏过程尽量轻柔,严格控制消化时间和复苏操作规范,传代或复苏24h后建议观察细胞,建议换液一次去除死亡细胞;
3 细胞生长较快
细胞生长速度较快,注意及时换液及传代,平时培养可以略微多加点培养基;
4 细胞极易出现交叉污染
该细胞作为最早建立的人源细胞系,目前已经有200余种衍生细胞,该细胞污染并取代了诸多细胞系,在培养过程中应注意操作,避免交叉污染其他细胞;
细胞收货攻略
常温细胞:
1. T25瓶收货后,拆开外包装,用75%酒精消毒T25瓶表面,放37℃培养箱静置2-4h;
2. 吸走大部分培养基并留10-12 ml,显微镜下拍照保存细胞状态照片,观察细胞密度,若细胞密度大于80%即可按比例传代(首次传代比例建议1:2),若细胞密度低于70%可以留10-12 ml继续培养至细胞密度80%以上再进行传代培养;
冻存细胞:
1. 细胞收货后尽快开箱检查,若干冰充足可以取出细胞迅速置于-80℃冰箱(2-3天内复苏)短期保存或液氮中长期保存,若干冰完全挥发建议立即复苏细胞并联系销售人员解决;
2. 冻存细胞建议尽快复苏一管培养检查,以免超出售后期,复苏步骤参考复苏攻略;
3. 复苏一管细胞出现异常及时联系销售人员,在专业技术支持的指导下进行下一步操作;
TIPS小贴士
1. 细胞收货出现漏液、培养瓶破损、干冰完全挥发等异常情况时,及时拍照联系销售人员;
2. 该细胞贴壁生长,一般T25瓶运输过程中较少出现大量细胞脱落并聚团的情况,少量细胞脱落是正常状态,不影响细胞生长,按正常操作步骤继续培养即可。
3. 尚恩生物T25瓶发货的细胞内含对应细胞的完全培养基,可以收集原装培养瓶内培养基经1500rpm离心5min后,取上清于4℃保存用于后续细胞培养;
细胞传代攻略
01 先尽量吸干净T25瓶原培养基,再加3-4ml 常温PBS轻轻润洗细胞10-20s,吸走润洗的PBS;
02 T25瓶加1ml左右胰酶,轻轻晃动培养瓶以使胰酶铺匀瓶底细胞层,将培养瓶放入37度培养箱消化;
03 消化到细胞间隙变大,但未完全脱落时加2-3ml完全培养基终止胰酶消化;
04 混匀细胞,900rpm离心3-5min,弃上清;
05 加新的完全培养基轻轻重悬细胞,均匀分到新的培养瓶里,补足完全培养基,将培养瓶放回培养箱静置培养;
TIPS小贴士
1. 对于消化细胞程度,客户如果经验不多,无法准确掌控胰酶作用时间,建议客户按照下述操作:胰酶首先复温到室温后加入细胞,放入37度培养箱,然后每隔30秒,即吹打下细胞(此时吹打细胞应尽量轻柔,不能强行将细胞吹下,否则细胞可能出现机械损伤),如果能够吹打散细胞,说明细胞消化完成可以终止消化,如果30秒吹打不下,再等30秒重复操作直至能够轻柔的吹下细胞;
2. T25瓶加10-12ml完全培养基,10cm皿加12-15ml,2-3天换液一次。
3. 细胞收货后首次传代建议按1:2传代,后续培养可以视具体细胞生长状态和密度情况决定传代比例;
4. 传代后24h建议观察细胞并换液一次去除死亡细胞;
细胞冻存攻略
冻存步骤:
1. 先将细胞按传代步骤消化、离心,至传代步骤4,弃细胞上清,获得细胞沉淀;
2. 加入适量预先配好的程序性冻存液轻轻重悬细胞,并将细胞悬液转移至做好标记的冻存管中;
3. 将冻存管放入程序性冻存盒,放入-80℃冰箱过夜;
转移细胞至液氮保存并登记细胞保存位置,液氮保存24h后建议复苏一管检测冻存细胞的活性,若活性合格即可长期保存,若低于80%建议重新冻存;
TIPS小贴士
1. 检测冻存细胞活性结果未合格前,培养瓶内细胞建议继续培养直至确认冻存合格方可视需要丢弃;
2. 程序性冻存液需要配合程序性冻存盒使用,若使用非程序冻存液可以按产品说明书处理降温过程;
3. T25培养瓶长满通常可以冻存2-3管,10cm皿长满可以冻存3-4管;
细胞复苏攻略
复苏步骤:
1. 将所需的完全培养基放在培养箱预热30min后开始复苏;
2. 准备37度温水,将细胞从液氮罐取中出,观察管内无液氮的情况下,捏住管盖,将细胞冻存部分浸入温水轻轻摇晃,融化至米粒大小冰块,终止水浴;
3. 将冻存管以离心力150g(约900rpm)左右离心1-2min,不同离心机具体转速会有差异;
4. 离心完成后,弃冻存液,用刚才预热的培养基缓慢加入冻存管,并轻柔重悬细胞后接种至T25或者10cm皿中。
TIPS小贴士
1. 冻存管在液氮长期保存过程中难免渗入液氮,取出细胞时震动不要过大,水浴前一定要观察管内是否存在液氮,若有液氮建议静置一会待液氮完全蒸发后再水浴;
2. 水浴时可以使用一次性PE手套包住冻存管避免直接接触水源,可以降低管盖缝隙渗入水导致污染的概率;
3. 水浴至剩米粒大小时及时终止水浴,避免过度水浴或水浴时间不足;
4. 建议水浴完成后直接在离心管内离心细胞,避免再次转移细胞;
5. 复苏后的细胞比较脆弱,吹打和转移细胞时尽量轻柔,复苏24h后换液去除死亡细胞;
常见问题及解决方案
NO.1 细胞密度怎么计算的?
严格意义上,细胞密度需要收集细胞悬液计数细胞数量,但在实际培养过程中,并不需要为了精确控制细胞数量而消化细胞计数。因此,常用的细胞密度指细胞相对于最大生长密度的比值,贴壁细胞可以粗略的用细胞所占培养容器底面积百分比表示,即显微镜下观察培养容器底部,有细胞的区域占总区域的百分比值,当然这种表达方式受限于单个细胞生长不同密度时所占面积不同导致并不严谨,但也是相当直观、简便的表现细胞状态的一种方式;
NO.2 培养过程中细胞碎片较多怎么处理?
1. 细胞内的黑色颗粒是细胞外分泌泡及细胞器折光,这个属于细胞自身特性,无法清除也无法改变,大部分细胞都会有这种现象,只是不同细胞颗粒多少有区别,细胞培养体系不适应、营养缺乏、渗透压异常等均可能导致细胞内颗粒增加,建议使用合适的培养条件。
2. 细胞外的黑色颗粒大部分是细胞碎片和细胞代谢产物,可以先吸走培养基后用PBS润洗清除,再加新的培养基继续培养。润洗不能清除的可以换液清洗后等细胞密度70-80%左右消化处理细胞,消化完成后加完全培养基终止消化,混匀细胞,收集细胞悬液900-1000rpm(约150g)离心3min,弃上清。再加5ml PBS重悬细胞,再离心后,用完全培养基重悬接种到新的培养皿。第二次PBS重悬是为了去除碎片,如果平时碎片比较少,传代时可以省略PBS重悬的步骤;如果碎片很多,建议PBS多洗几次。
NO.3 细胞具体消化时间是多久?
每个客户用的胰酶活力及消化步骤、试剂都是不一样的,不能完全规定消化时间,以实际消化效果和客户经验为准。

说明:转载仅为分享目的,部分文章图片因转载众多无法确认原始作者的,仅标明转载来源;版权归原作者所有,如有问题,请联系小编删除,谢谢!
